Model UMI
Model UMI loadcells measure.Both tension & compression load force of 2kgf to 2tf.
•High accuracy,high output voltage and tight tolerance provides excellent reliability.
•Applications include performance testers for automotive industry.
Specifications
|
Specifications |
Accuracy |
|
Rated capacity (R.C.) |
100gf, 200gf, 500gf, 1kgf, 2kgf, 5kgf, 10kgf, 50kgf, 100kgf, 200kgf, 500kgf, 1tf, 2tf |
|
Rated output (R.O.) |
2mV/V±1% (100gf~5kgf=1mV/V) |
|
Nonlinearity |
0.03% of R.O. |
|
Hysteresis |
0.03% of R.O |
|
Repeatability |
0.03% of R.O. |
|
Zero balance |
±2% of R.O. |
|
Excitation recommended |
10V (100gf~5kgf=5V) |
|
Terminal resistance |
350Ω ± 1% |
|
Insulation resistance bridge |
2000㏁ |
|
Temperature range, compensated |
-10 ~ 50℃ |
|
Temperature range, safe |
-20 ~ 80℃ |
|
Temperature effect, on rated output |
0.1% of LOAD/10℃ |
|
Temperature effect, on zero balance |
0.05% of R.O./10℃ |
|
Excitation recommended |
10V |
|
Safe overload |
120% R.C |
|
Cable length |
Φ5 ±0.5 ,4core, 3m |
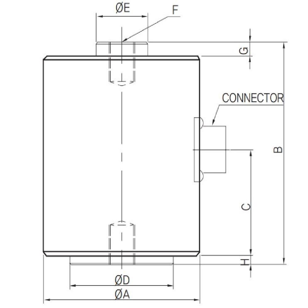
Dimensions
|
Capacity |
ΦA |
B |
C |
ΦD |
ΦE |
ΦF |
G |
H |
Weight(kg) |
|
100gf (0.980N) |
52 |
45 |
23 |
47 |
10.5 |
M4×0.7DP8 |
7 |
1 |
0.5 |
|
200gf (1.961N) |
52 |
45 |
23 |
47 |
10.5 |
M4×0.7DP8 |
7 |
1 |
|
|
500gf (4.903N) |
52 |
45 |
23 |
47 |
10.5 |
M4×0.7DP8 |
7 |
1 |
|
|
1kgf (9.807N) |
52 |
45 |
23 |
47 |
10.5 |
M6×1.0DP8 |
7 |
1 |
|
|
2kgf (19.61N) |
52 |
45 |
23 |
47 |
12 |
M6×1.0DP8 |
7 |
1 |
|
|
5kgf (49.03N) |
52 |
45 |
23 |
47 |
12 |
M6×1.0DP8 |
7 |
1 |
|
|
10kgf (98.07N) |
60 |
80 |
37 |
40 |
20 |
M12×1.75DP15 |
5 |
3 |
1 |
|
20kgf (196.1N) |
60 |
80 |
37 |
40 |
20 |
M12×1.75DP15 |
5 |
3 |
|
|
50kgf (490.3N) |
60 |
80 |
37 |
40 |
20 |
M12×1.75DP15 |
5 |
3 |
|
|
100kgf (980.7N) |
60 |
80 |
37 |
40 |
20 |
M12×1.75DP15 |
5 |
3 |
|
|
200kgf (1.961KN) |
60 |
80 |
37 |
40 |
20 |
M12×1.75DP15 |
5 |
3 |
|
|
500kgf (4.903KN) |
60 |
80 |
37 |
40 |
20 |
M12×1.75DP15 |
5 |
3 |
|
|
1tf (9.807KN) |
60 |
80 |
37 |
40 |
20 |
M12×1.75DP15 |
5 |
3 |
2 |
|
2tf (19.61KN) |
88 |
110 |
51 |
80 |
36 |
M18×1.5DP22 |
5 |
3 |
3 |
The person in charge
HK ShinAddress
37-9 Cheoksan 5-gil Nami-myeon Seowon-gu, Cheongju-si, Chungcheongbuk-do (28182)Please enter the text on the left image to prevent automatic input.
0 / 4000
PLATINUM